
Parameter |
Description |
Material |
Sheet metal |
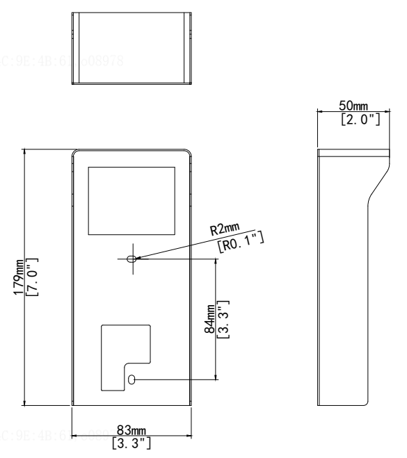
Dimensions |
179mm*83mm*50mm |
Mount |
Wall mount |
Weight |
303.9g (with package), 213.8g (without package) |
Operating environment |
Outdoor |

Download | Type |
---|---|
Data Sheet |